Techcon mang đến giải pháp tối ưu cho việc lắp đặt hệ thống máy nén khí. Bởi nếu hệ thống không được lắp quy chuẩn thì sẽ dẫn tới rất nhiều vấn đề:
- Máy vận hành không ổn định
- Tổn hao năng lượng
- Tổn hao áp lực
- Nhiệt độ phòng máy tăng cao, gây lỗi máy
- Chất lượng khí nén xấu do phát sinh nước, dầu
Lựa chọn thứ tự lắp đặt các thiết bị trong hệ thống máy nén khí:
Các thiết bị được sắp xếp thứ tự phù hợp với công năng và tình trạng phòng máy nén khí:
Vị trí các lọc trên đường ống phụ thuộc chủng loại cũng như tùy khuyến cáo của các hãng. Lọc nước đặt trước máy sấy khí, các lọc khác thông thường sẽ đặt sau máy sấy khí
Vị trí bình tích áp: Bình tích áp có thể đặt trước hoặc sau máy sấy khí, tùy thuộc vào tình trạng phòng máy. Mỗi vị trí đều có ưu nhược điểm khác nhau:
- Tách một phần nước khỏi khí nén: Bình đặt trước máy sấy tối ưu hơn
- Ổn định áp lực cho máy nén khí: Bình đặt trước máy sấy tối ưu hơn
- Không tỏa nhiệt ra phòng: Bình đặt sau máy sấy tối ưu hơn
- Không bị nước chiếm thể tích bình: Bình đặt sau máy sấy tối ưu hơn
- Ổn định áp cho nhà máy: Bình đặt sau máy sấy tối ưu hơn
- Không gây quá tải cục bộ cho máy sấy: Bình đặt sau máy sấy tối ưu hơn
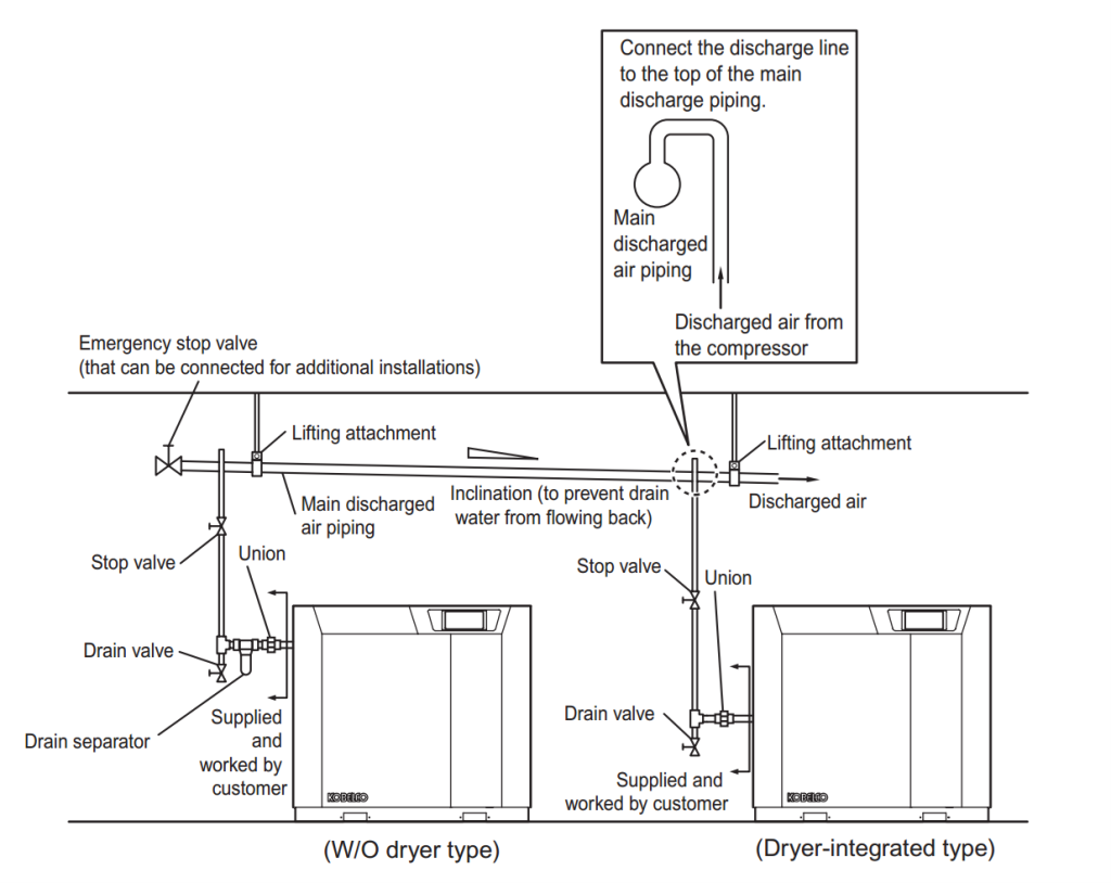
Lắp đặt hệ thống đường ống khí nén:
Đường ống đóng vai trò dẫn khí nén từ hệ thống máy nén khí tới khu vực sử dụng khí. Việc lắp đặt đúng tiêu chuẩn là vô cùng quan trọng vì nó không chỉ ảnh hưởng đến chất lượng khí nén mà còn ảnh hưởng đến áp lực khí cũng như độ ổn định sử dụng:
- Chọn kích thước đường ống phù hợp với lưu lượng khí tải
- Chọn kiểu đi đường ống sao cho bớt đổi hướng nhất, nhằm giảm tải tổn hao áp lực khí
- Chọn sơ đồ đường ống phù hợp sao cho áp lực ổn định nhất (Mạch vòng là tối ưu nhất)
- Chọn kiểu phân nhánh ống phù hợp để tránh bị đọng nước, gây hỏng thiết bị
- Chọn kiểu lắp đặt ống tùy thuộc kích cỡ và quy mô ống (Hàn, bắt ren, bắt bích…)
Lắp đặt đường ống gió thoát khí nóng
Máy nén khí là thiết bị tỏa nhiệt rất nhiều. Do đó lượng khí nóng này cần phải được thải ra khỏi phòng để tránh máy bị cộng hưởng nhiệt, gây lỗi máy.
- Nhiệt tỏa ra từ giàn giải nhiệt máy nén khí/ máy sấy khí cần được dẫn ra ngoài thông qua hệ thống ống gió (Exhaust Ventilation Duct). Việc thiết kế ống gió phụ thuộc công suất máy, layout thiết bị cũng như kiểu máy nén khí.
- Nhiệt tỏa ra phòng cần được thải thông qua quạt thông phòng. Quạt này vừa giúp thải nhiệt dư, vừa đóng vai trò quạt hút để hút khí tươi vào phòng
- Cửa hút khí tươi cần bố trí đối lưu với phần thải khí nóng để tránh quẩn nhiệt. Cửa này cần bố trí lưới lọc bụi và cửa chớp để vừa tăng tiết diện khí hút, vừa loại bỏ bụi thô và côn trùng
Lắp đặt hệ thống điện:
Hệ thống điện bao gồm: Tủ điện (bao gồm các breaker), cáp điện, thang máng cáp. Việc lựa chọn các thiết bị này cần đúng quy chuẩn, tránh bị nhỏ quá (Gây nguy hiểm, ngắt điện) hoặc to quá (Gây lãng phí, không phát huy chức năng bảo vệ)
- Các át to mát (Breaker) cần lựa chọn đúng công suất, đúng chủng loại theo khuyến cáo của nhà sản xuất.
- Cáp điện cần lựa chọn phù hợp công suất máy và khoảng cách từ máy đến tủ điện. Việc lựa chọn theo khuyến cáo của nhà sản xuất
- Trạm biến áp: Máy nén khí tiêu thụ điện năng nhiều, do đó cần tính toán trạm biến áp đủ để không ảnh hưởng đến công suất trạm tổng. Việc chọn công suất trạm tùy thuộc theo công suất máy cũng như khuyến cáo của nhà sản xuất:
Lắp đặt đường thoát nước thải:
Máy nén khí, máy sấy khí, bình tích áp và lọc khí đều thải ra một lượng nước lớn. Phần đa nước này đều lẫn dầu, do đó cần lắp đường ống dẫn nước thải ra khỏi phòng máy tới khu vực xử lý để tách bỏ dầu ra khỏi nước.
Techcon sẽ tư vấn tổng thể các giải pháp lắp đặt cũng như thi công chuyên nghiệp toàn bộ hệ thống. Hãy liên hệ chúng tôi để được phục vụ tốt nhất!








